Login/Register
Choose your country

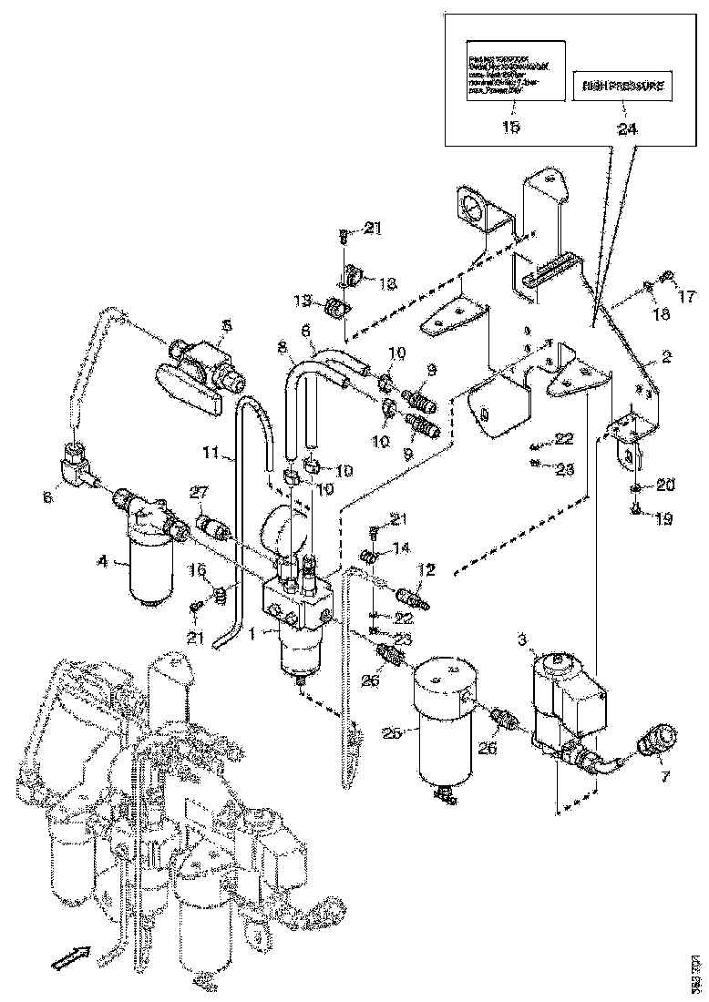
SCANIA Exhaust Gas Door Parts - Genuine & OEM

At TruckPartsExpert, we provide genuine and OEM SCANIA Exhaust Gas Door parts to keep your Exhaust System operating at peak efficiency. From hoses and adaptors to seals, washers, screws and covers, all components are sourced from certified manufacturers. Fast EU warehouse processing and reliable worldwide delivery reduce downtime for your SCANIA.

Available SCANIA Exhaust Gas Door Parts

Buy 1803109 GENUINE SCANIA SPARE PARTS 3 SCANIA

GENUINE SCANIA SPARE PARTS 3
SCANIA

Buy 2229644 GAS REGULA SCANIA

GAS REGULA
SCANIA

Related Exhaust System Parts Categories

SCANIA parts catalogue

Why Choose Genuine SCANIA Truck Exhaust Gas Door Parts?

Genuine and OEM SCANIA truck Exhaust Gas Door parts guarantee maximum performance, safety and durability. They are designed specifically for SCANIA vehicles to ensure perfect compatibility and compliance with the highest quality standards. Using original SCANIA parts helps extend the service life of your truck, reduces downtime and maintains safety on the road.